


單錐真空干燥機時一種攪拌型密閉式真空干燥機。它通過一個夾套加熱的單錐真空密閉罐由攪拌漿不斷翻動物料,使物料均勻受熱,水份或溶劑得到蒸發,達到物料干燥的目的。該設備采用單錐型罐體設計,衛生級不銹鋼制造,結構簡單,操作方便。屬批次型間隙干燥操作,清洗無死角,是一種符合GMP要求的精烘包車間理想的干燥設備,廣泛應用于制藥、生物、化工、食品等行業得粉體,濾餅、結晶體及液體的濃縮、干燥、蒸發和溶劑回收的操作。
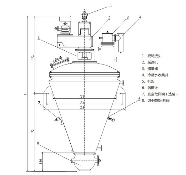
單錐真空干燥機所提供的是一種圓錐形螺帶攪拌。整個螺線攪拌漿在自轉的同時,螺帶將物料不斷提升、翻動、刮落,時罐內物料混合均勻,并均勻受熱。蒸發的溶劑及水蒸氣經過濾器除塵后真空系統進行冷凝回收后排放。
該干燥設備混合和干燥在同一容器內完成,提高了生產效率;采用夾套加熱,降低了使用能耗;采用真空干燥形式,保證了傳熱和傳質,特別適應熱敏性和溶劑回收的粉粒體物料的干燥;結構簡單,容易清洗,出料方便,符合GMP規范;提供多種攪拌形式及設備規格選配,可進行批次生產;也可進行冷卻、殺菌、反應等操作。
| 型號\項目 | 單位 | DZLG-500 | DZLG-750 | DZLG-1000 | DZLG-1250 | DZLG-1500 | DZLG-2000 | DZLG-3000 | DZLG-4000 |
| 有效容積 | L | 500 | 750 | 1000 | 1250 | 1500 | 2000 | 3000 | 4000 |
| 全容積 | L | 650 | 800 | 1220 | 1600 | 1900 | 2460 | 3680 | 4890 |
| 加熱面積 | ㎡ | 4.1 | 5.2 | 7.2 | 9.1 | 10.6 | 13 | 19 | 22 |
| 電機功率 | KW | 11 | 11 | 15 | 15 | 18.5 | 22 | 30 | 37 |
| 設備凈重 | KG | 1350 | 1850 | 2300 | 2600 | 2900 | 3600 | 4100 | 4450 |
| 攪拌轉速 | rpm | 50 | 45 | 40 | 38 | 36 | 36 | 34 | 32 |
| 設備總高 | m | 3565 | 3720 | 4165 | 4360 | 4590 | 4920 | 5160 | 5520 |
| 容器高度 | H3 | 1455 | 1610 | 1965 | 2160 | 2300 | 2590 | 2380 | 3160 |
| 耳座高度 | H4 | 895 | 995 | 1315 | 1480 | 1630 | 1860 | 1900 | 2240 |
| 鍋身內寬 | D2 | 1100 | 1200 | 1400 | 1500 | 1600 | 1750 | 2100 | 2100 |
| 安裝耳座寬 | D3 | 1270 | 1350 | 1560 | 1720 | 1900 | 2050 | 2400 | 2450 |
上一篇:不銹鋼貯罐、配制罐
下一篇:沒有了
截屏,識別二維碼
手機二維碼
(點擊復制手機二維碼)